Хотите заказать товар?
Свяжитесь с нами для получения подробной информации и расчета стоимости
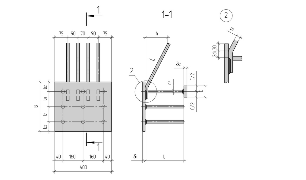
| Марка | Обозначение | Размеры, мм | Масса, кг | ||||||||||
|---|---|---|---|---|---|---|---|---|---|---|---|---|---|
| B | b1 | b2 | δ1 | d1 | l | h | d2 | L | C | δ2 | |||
| МН318-1 | 1.400-15.В1.350 | 400 | 160 | 40 | 8 | 12AIII | 480 | 120 | 10AIII | 120 | 40 | 8 | 13,1 |
| МН318-2 | 1.400-15.В1.350-01 | 400 | 160 | 40 | 8 | 12AIII | 480 | 170 | 10AIII | 170 | 40 | 8 | 13,5 |
| МН319-2 | 1.400-15.В1.350-02 | 400 | 160 | 40 | 10 | 16AIII | 620 | 160 | 14AIII | 170 | 50 | 10 | 19,8 |
| МН319-3 | 1.400-15.В1.350-03 | 400 | 160 | 40 | 10 | 16AIII | 620 | 210 | 14AIII | 220 | 50 | 10 | 20,3 |
| МН319-4 | 1.400-15.В1.350-04 | 400 | 160 | 40 | 10 | 16AIII | 620 | 210 | 14AIII | 270 | 50 | 10 | 20,9 |
| МН320-1 | 1.400-15.В1.350-05 | 500 | 210 | 40 | 8 | 12AIII | 480 | 120 | 10AIII | 120 | 40 | 8 | 15,6 |
| МН320-2 | 1.400-15.В1.350-06 | 500 | 210 | 40 | 8 | 12AIII | 480 | 170 | 10AIII | 170 | 40 | 8 | 16,0 |
| МН321-2 | 1.400-15.В1.350-07 | 500 | 210 | 40 | 8 | 16AIII | 620 | 160 | 12AIII | 170 | 50 | 10 | 19,3 |
| МН321-3 | 1.400-15.В1.350-08 | 500 | 210 | 40 | 8 | 16AIII | 620 | 210 | 12AIII | 220 | 50 | 10 | 19,7 |