Хотите заказать товар?
Свяжитесь с нами для получения подробной информации и расчета стоимости
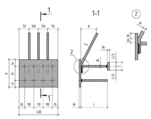
| Марка | Обозначение | Размеры, мм | Масса, кг | ||||||||||
|---|---|---|---|---|---|---|---|---|---|---|---|---|---|
| B | b1 | b2 | δ1 | d1 | l | h | d2 | L | C | δ2 | |||
| МН314-1 | 1.400-15.В1.340 | 250 | 180 | 35 | 8 | 12AIII | 480 | 120 | 10AIII | 120 | 40 | 8 | 8,9 |
| МН314-2 | 1.400-15.В1.340-01 | 250 | 180 | 35 | 8 | 12AIII | 480 | 170 | 10AIII | 170 | 40 | 8 | 9,2 |
| МН314-3 | 1.400-15.В1.340-02 | 250 | 180 | 35 | 8 | 12AIII | 480 | 170 | 10AIII | 220 | 40 | 8 | 9,4 |
| МН316-1 | 1.400-15.В1.340-03 | 300 | 220 | 40 | 8 | 12AIII | 480 | 120 | 10AIII | 120 | 40 | 8 | 10,1 |
| МН316-2 | 1.400-15.В1.340-04 | 300 | 220 | 40 | 8 | 12AIII | 480 | 170 | 10AIII | 170 | 40 | 8 | 10,4 |
| МН316-3 | 1.400-15.В1.340-05 | 300 | 220 | 40 | 8 | 12AIII | 480 | 170 | 10AIII | 220 | 40 | 8 | 10,6 |
| МН315-2 | 1.400-15.В1.340-06 | 250 | 180 | 35 | 10 | 16AIII | 620 | 160 | 14AIII | 170 | 50 | 10 | 13,9 |
| МН315-3 | 1.400-15.В1.340-07 | 250 | 180 | 35 | 10 | 16AIII | 620 | 210 | 14AIII | 220 | 50 | 10 | 14,4 |
| МН315-4 | 1.400-15.В1.340-08 | 250 | 180 | 35 | 10 | 16AIII | 620 | 210 | 14AIII | 270 | 50 | 10 | 14,8 |
| МН315-5 | 1.400-15.В1.340-09 | 250 | 180 | 35 | 10 | 16AIII | 620 | 210 | 14AIII | 370 | 50 | 10 | 15,8 |
| МН317-2 | 1.400-15.В1.340-10 | 300 | 220 | 40 | 10 | 16AIII | 620 | 160 | 14AIII | 170 | 50 | 10 | 15,4 |
| МН317-3 | 1.400-15.В1.340-11 | 300 | 220 | 40 | 10 | 16AIII | 620 | 210 | 14AIII | 220 | 50 | 10 | 15,9 |
| МН317-4 | 1.400-15.В1.340-12 | 300 | 220 | 40 | 10 | 16AIII | 620 | 210 | 14AIII | 270 | 50 | 10 | 16,3 |
| МН317-5 | 1.400-15.В1.340-13 | 300 | 220 | 40 | 10 | 16AIII | 620 | 210 | 14AIII | 370 | 50 | 10 | 17,3 |