Хотите заказать товар?
Свяжитесь с нами для получения подробной информации и расчета стоимости
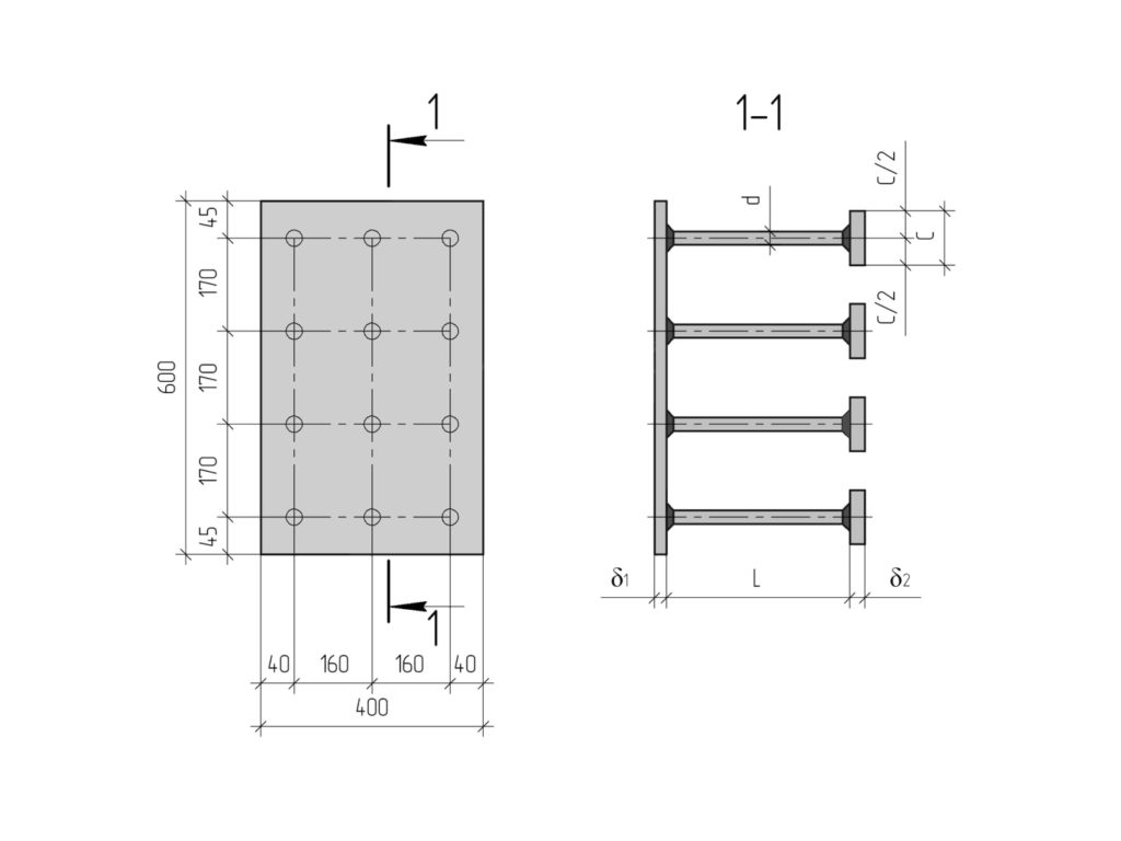
| Марка | Обозначение | Размеры, мм | Масса, кг | ||||
|---|---|---|---|---|---|---|---|
| δ1 | d | L | C | δ2 | |||
| МН163-1 | 1.400-15.В1.180 | 8 | 12AIII | 470 | - | - | 20,1 |
| МН163-2 | 1.400-15.В1.180-01 | 8 | 12AIII | 370 | - | - | 19,1 |
| МН163-3 | 1.400-15.В1.180-02 | 8 | 12AIII | 270 | - | - | 18 |
| МН163-4 | 1.400-15.В1.180-03 | 8 | 12AIII | 470 | 50 | 10 | 22,5 |
| МН163-5 | 1.400-15.В1.180-04 | 8 | 12AIII | 370 | 50 | 10 | 21,5 |
| МН163-6 | 1.400-15.В1.180-05 | 8 | 12AIII | 170 | 50 | 10 | 19,3 |
| МН164-1 | 1.400-15.В1.180-06 | 12 | 16AIII | 620 | - | - | 34,4 |
| МН164-2 | 1.400-15.В1.180-07 | 12 | 16AIII | 460 | - | - | 31,4 |
| МН164-3 | 1.400-15.В1.180-08 | 12 | 16AIII | 370 | - | - | 29,7 |
| МН164-4 | 1.400-15.В1.180-09 | 12 | 16AIII | 620 | 60 | 12 | 38,5 |
| МН164-5 | 1.400-15.В1.180-10 | 12 | 16AIII | 460 | 60 | 12 | 35,5 |
| МН164-6 | 1.400-15.В1.180-11 | 12 | 16AIII | 210 | 60 | 12 | 30,7 |