Хотите заказать товар?
Свяжитесь с нами для получения подробной информации и расчета стоимости
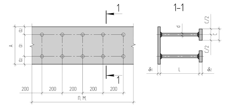
| Марка | Обозначение | Размеры, мм | Масса, кг | |||||||
|---|---|---|---|---|---|---|---|---|---|---|
| В | В1 | В2 | δ | d | L | C | δ | |||
| МН127-1 | 1.400-15.В1.140 | 100 | 60 | 20 | 6 | 8AIII | 300 | - | - | 5,9 |
| МН127-2 | 1.400-15.В1.140-01 | 100 | 60 | 20 | 6 | 8AIII | 250 | - | - | 5,7 |
| МН127-3 | 1.400-15.В1.140-02 | 100 | 60 | 20 | 6 | 8AIII | 200 | - | - | 5,5 |
| МН127-4 | 1.400-15.В1.140-03 | 100 | 60 | 20 | 6 | 8AIII | 300 | 40 | 8 | 6,9 |
| МН127-5 | 1.400-15.В1.140-04 | 100 | 60 | 20 | 6 | 8AIII | 250 | 40 | 8 | 6,7 |
| МН127-6 | 1.400-15.В1.140-05 | 100 | 60 | 20 | 6 | 8AIII | 80 | 40 | 8 | 6,0 |
| МН128-1 | 1.400-15.В1.140-06 | 100 | 60 | 20 | 6 | 8AIII | 300 | - | - | 8,3 |
| МН128-2 | 1.400-15.В1.140-07 | 150 | 90 | 30 | 6 | 8AIII | 250 | - | - | 8,1 |
| МН128-3 | 1.400-15.В1.140-08 | 150 | 90 | 30 | 6 | 8AIII | 200 | - | - | 7,9 |
| МН128-4 | 1.400-15.В1.140-09 | 150 | 90 | 30 | 6 | 8AIII | 300 | 40 | 8 | 9,3 |
| МН128-5 | 1.400-15.В1.140-10 | 150 | 90 | 30 | 6 | 8AIII | 250 | 40 | 8 | 9,1 |
| МН128-6 | 1.400-15.В1.140-11 | 150 | 90 | 30 | 6 | 8AIII | 80 | 40 | 8 | 8,4 |
| МН129-1 | 1.400-15.В1.140-12 | 200 | 120 | 40 | 6 | 8AIII | 300 | - | - | 10,6 |
| МН129-2 | 1.400-15.В1.140-13 | 200 | 120 | 40 | 6 | 8AIII | 250 | - | - | 10,4 |
| МН129-3 | 1.400-15.В1.140-14 | 200 | 120 | 40 | 6 | 8AIII | 200 | - | - | 10,2 |
| МН129-4 | 1.400-15.В1.140-15 | 200 | 120 | 40 | 6 | 8AIII | 300 | 40 | 8 | 11,6 |
| МН129-5 | 1.400-15.В1.140-16 | 200 | 120 | 40 | 6 | 8AIII | 250 | 40 | 8 | 11,4 |
| МН129-6 | 1.400-15.В1.140-17 | 200 | 120 | 40 | 6 | 8AIII | 80 | 40 | 8 | 10,7 |
| МН130-1 | 1.400-15.В1.140-18 | 200 | 120 | 40 | 8 | 12AIII | 470 | - | - | 16,8 |
| МН130-2 | 1.400-15.В1.140-19 | 200 | 120 | 40 | 8 | 12AIII | 370 | - | - | 15,9 |
| МН130-3 | 1.400-15.В1.140-20 | 200 | 120 | 40 | 8 | 12AIII | 270 | - | - | 15,0 |
| МН130-4 | 1.400-15.В1.140-21 | 200 | 120 | 40 | 8 | 12AIII | 470 | 50 | 10 | 18,8 |
| МН130-5 | 1.400-15.В1.140-22 | 200 | 120 | 40 | 8 | 12AIII | 370 | 50 | 10 | 17,9 |
| МН130-6 | 1.400-15.В1.140-23 | 200 | 120 | 40 | 8 | 12AIII | 170 | 50 | 10 | 16,1 |
| МН131-1 | 1.400-15.В1.140-24 | 250 | 180 | 35 | 6 | 8AIII | 300 | - | - | 13,0 |
| МН131-2 | 1.400-15.В1.140-25 | 250 | 180 | 35 | 6 | 8AIII | 250 | - | - | 12,8 |
| МН131-3 | 1.400-15.В1.140-26 | 250 | 180 | 35 | 6 | 8AIII | 200 | - | - | 12,6 |
| МН131-4 | 1.400-15.В1.140-27 | 250 | 180 | 35 | 6 | 8AIII | 300 | 40 | 8 | 14,0 |
| МН131-5 | 1.400-15.В1.140-28 | 250 | 180 | 35 | 6 | 8AIII | 250 | 40 | 8 | 13,8 |
| МН131-6 | 1.400-15.В1.140-29 | 250 | 180 | 35 | 6 | 8AIII | 80 | 40 | 8 | 13,1 |
| МН132-1 | 1.400-15.В1.140-30 | 250 | 180 | 35 | 8 | 12AIII | 470 | - | - | 19,9 |
| МН132-2 | 1.400-15.В1.140-31 | 250 | 180 | 35 | 8 | 12AIII | 370 | - | - | 19,0 |
| МН132-3 | 1.400-15.В1.140-32 | 250 | 180 | 35 | 8 | 12AIII | 270 | - | - | 18,1 |
| МН132-4 | 1.400-15.В1.140-33 | 250 | 180 | 35 | 8 | 12AIII | 470 | 50 | 10 | 21,9 |
| МН132-5 | 1.400-15.В1.140-34 | 250 | 180 | 35 | 8 | 12AIII | 370 | 50 | 10 | 21,0 |
| МН132-6 | 1.400-15.В1.140-35 | 250 | 180 | 35 | 8 | 12AIII | 170 | 50 | 10 | 19,2 |